日本シーム工業 株式会社 S-KJ/S-KJW #16

S-KJ/S-KJW #16-82
改訂履歴
No.
改訂日
DATE
図 番
DRG No.
摘 要
REMARKS
1
2
2005-6-21
2014-9-2
20050621-1
20140902-1
CAD
書式変更
防水中間/非防水中間水抜き
3
1
4
5
5
3
4
2
KJ
C
E
C
KJW
A
A
D
B
B
mm
SIZE
CAT.No
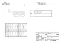
中 間 /中 間 水 抜
接続部
フレキ
A
B (約 )
C
D
INCH
呼び
1/4
10
3/8
12
1/2
16
S-KJ/S-KJW
-1 6
16
15
46
1 4 .5
32
3/4
22
S-KJ/S-KJW
-2 2
22
15
47
1 9 .5
1
28
S-KJ/S-KJW
-2 8
28
1 8 .5
54
1ー1/4 3 6
S-KJ/S-KJW
-3 6
36
17
53
E
※ #10ー#36は 6角 #42以 上 は 8角
5
ジャムナット
Zinc
36
4
カシメ式リング
SUS 304
38
43
3
ターミナルコーン
SS41
2 5 .5
45
51
2
KJW本体(水抜き)
Zinc
三価亜鉛電気メッキ
33
53
60
1
KJ本体
Zinc
三価亜鉛電気メッキ
1ー1/2 4 2
S-KJ/S-KJW
-4 2
42
19
59
38
60
64
54
S-KJ/S-KJW
-5 4
54
2 2 .5
67
4 7 .5
72
77
2-1/2 7 0
S-KJ/S-KJW
-7 0
70
22
69
61
88
94
82
S-KJ/S-KJW
-8 2
82
25
84
7 4 .5
105
114
2
3
3-1/2 9 2
4
5
104
126
記 号
材 質
部 品 名 称
REF No.
DESCRIPTION
MATERIAL
参 考 図
第三角法
ORIGINAL DRG.
社 名
USER
名 称
TITLE
図 番
DRG No.
尺 度
SCALE
3RD.ANGLE
PROJECTION
KJ/KJW
検 図
CHECKED
K.W
20050621-1
設 計
DRAWN
年 月 日
DATE
H.W
FREE
2014-9-2
三価亜鉛電気メッキ
摘 要
REMARKS
用 途
USE
名 称
TITLE
NAME
図 番
DRG No.
所 要 数
PCS/SET
フ レ キ 接 続 用 中 間 /中 間 水 抜 き コ ネ ク タ
S-KJ/S-KJW
20140902-1
日本シーム工業 株式会社