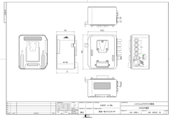
外観図 - コスミックエンジニアリング

M ADE IN JAPAN
1 2 3 4
3
3
3
3
3
3
ON
M AINTENANCE
M ODE
↑
OFF
1
SDI IN
2
1/2
ACT OUT
AES/EBU IN
3/4
5/6
7/8
ON
S
S
3
STATUS OUT
1/2
D/A OUT
AES/EBU OUT
3/4
5/6
1
7/8
3
3
ANALOG IN
2
3
3
3
4
3
SELECTED ANALOG OUT
L
R
POW ER
AC100V IN
430
R
T V & COMMUNICATIONS
製造番号
型名
(株) コスミックエンジニアリング
350
MADE IN JAPAN
482
465
DISP 1
DISP 2
M E NU
Do w n
M ix
SDI2
3/4
11/12
M ONO
L-ch
AES
5/6
13/14
Stereo
R-ch
ANA
7/8
15/16
Shift
31.8
44
KE Y LOCK
T V & COMMUNICATIONS
M IN
TOLERANCE
5 ×
4 ×
4 <
16 <
63 <
250 <
3 ×
2 ×
1 ×
STAMP
L
L
L
L
L
REVISION
SIGN.
SCALE
≦ 4
≦ 16
≦ 63
≦ 250
UNIT
DATE
VOL
1/2
9/10
SDI1
±0.1
±0.2
±0.3
±0.4
±0.6
ANGLE
mm
CHECKED by APPROVED by
M AX
H. P
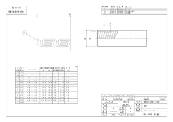
MATERIAL
SP-PM 1
DESCRIPTION
SUS304 t=0.8,t=1.5
JFE-CC-JN t=1.2
10番メッシュ φ=0.5
ISSUED
DRAWN by
PLANNED by
2014.09.09
REVISED
3rd 2014.09.25
野中
長瀬
T V&COMMUNICATIONS
モニタースピーカー
SP−PM1外観図
FINISH (COLOR)
A級塗装:全塗装(外観のみ)
N1三分ツヤ,日本エッチングHN2002シボ
MODEL No.
23−6720
PART No.
25−2652−01
SHEET