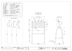
立面図・平面図・仕上表(PDF:76KB)

900
900
1,800
1,800
800
破
軒
風
裏
布 基礎
CB下 地モ ル タ ル塗 り の 上 吹付
瓦 棒 鉄板 葺 き
ラ ス モル タ ル 下地 の 上 吹 付
ラ ス モ ルタ ル 下 地の 上 吹 付
軒 樋: 鋼 製 105/2 堅 樋: 60
雨
樋
外部建具
外
既設13φ量水器
(ボックスのみ)
M
礎
壁
根
13
<屋外図参照>
ア ル ミ サッ シ
建 物 の 周囲 の 遊 具な ど の 残 存物 撤 去 ・処 分
構
T
T
1,275
800
基
外
屋
地上不凍栓
(D-PB-1.8H)
13
50
地上不凍栓
(D-PB-2.1H)
75
600
6,000
13
地上不凍栓
(D-PB-1.5H)
600
内部仕上表
床
東 側 立 面 図 S=1:150
玄
関
和室6帖
台
所
浴
室
ト イ レ
押入(共通)
土 間 コ ンク リ ー ト
木 下 地組 タ タ ミ敷 き
木 下 地フ ロ ー リ ング 敷 き
モ ル タ ル下 地
壁
CB壁の上塗装壁
CB壁の上塗装壁・土壁
木 下 地 フロ ー リ ング 敷 き
CB壁の上塗装壁
CB壁の上塗装壁
CB壁の上塗装壁
木下地組ベニヤ張り
木下地組の上ベニヤ張り
天
井
木下地組の上PB下地塗装仕上げ
木下地組の上PB下地塗装仕上げ
木下地組の上PB下地塗装仕上げ
木下地組の上PB下地塗装仕上げ
木下地組の上PB下地塗装仕上げ
木下地組の上ベニヤ張り
天 井 高
2,350
2,350
2,350
2,530
備
考
13
50
W=450 H=1,200
W=570 H=800
W=730 H=2,050
W=1,350 H=800
W=730 H=2,050
腰掛便器
玄関
流し台
換気扇
ホーム水栓
1,300
4,400
外部仕上表
2,350
自在水栓
2,350
縦手すり
中段・枕棚
浴室
WC
台所
900
紙巻器
押入
5,800
4,400
押入
32,800
和室6帖
北 側 立 面 図 S=1:150
S
S
W=1,560 H=1,450
4,400
3,600
和室6帖
W=1,560 H=1,820
テラス
5,400
32,800
南 側 立 面 図 S=1:150
1戸当たり
計算
面 積 (㎡ )
延床面積
5.4× 5.8
31.32
建築面積
5.4× 5.8
31.32
平 面 図 S=1:50
図面NO
工事名
備考
S 住宅用火災警報器(煙式・電池式) 撤去し市に返却
佐
久
市
平成26年度 市営住宅御馬寄団地火災住宅除却及び駐車場整備工事
A- 6
図面名
立面図 平面図 仕上表
縮尺