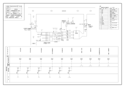
赤目浄水場計装設備更新工事 設計図面 (電気設備) 名張市上下水道部 図面目録 図面番号 1 2 3 4 5 6 7 8 9 10 11 図面名称 電気室平面図(今回撤去) 電気室平面図(今回更新) 配水流量計室 平面図 単線結線図 計装フローシート 計装盤電源回路 展開接続図 取水流量回路 展開接続図 配水流量回路 展開接続図 浄水残塩回路 展開接続図 浄水濁度回路 展開接続図 混和槽出口PH回路 展開接続図 縮尺 濁度計 電気室 残塩計 pH計 撤去(今回) 赤目浄水場計装設備更新工事 電気室 平面図(今回撤去) 名張市 赤目町長坂 地内 1 ・CVVS 2sq-2c×1(撤去) ・CVVS 2sq-4c×1(今回) ・CV 3.5sq-2C(既設流用) 色濁度計 (今回) 電気室 残塩計 (今回) pH計 (今回) ・CVVS 2sq-2c×1(既設流用) ・CV 3.5sq-2C(既設流用) ミニUPS (今回) ・CVVS 2sq-2c×1(既設流用) ・CV 3.5sq-2C(既設流用) 赤目浄水場計装設備更新工事 電気室 平面図(今回更新) 名張市 赤目町長坂 地内 ・EM-CE 3.5sq-2c(G22)×1(今回) ・付属専用ケーブル(G22)×1(今回) 2 配水流量計室 超音波流量計取り付け位置 (鋳鉄管F100) 赤目浄水場計装設備更新工事 配水流量計室室 平面図 名張市 赤目町長坂 地内 3 UPS(2kVA) バイパス回路 今回対象 ブレーカ取付 赤目浄水場計装設備更新工事 赤目浄水場計装設備更新工事 ( 信号受信回路等) ) ( 取水・配水流量計等) 水(位計等 ( テレメータ等) 単線結線図 動力盤 電源回路 展開接続図 名張市 赤目町長坂 赤目町長坂 地内 地内 名張市 4 1 色 度 信 号 追 加 U P S 故 障 信 号 追 加 今回対象 pH計 色濁度計 残塩計 流量計 赤目浄水場計装設備更新工事 赤目浄水場計装設備更新工事 計装フローシート 動力盤 電源回路 展開接続図 名張市 名張市 赤目町長坂 赤目町長坂 地内 地内 5 1 システム電源 今回取替 [計装盤] 赤目浄水場計装設備更新工事 計装盤電源回路 展開接続図 名張市 赤目町長坂 地内 6 I/V変換器 積算計 今回取替 警報設定器 指示計 赤目浄水場計装設備更新工事 取水流量回路 展開接続図 名張市 赤目町長坂 地内 7 検出器 変換器 今回取替 I/V変換器 積算計 指示計 赤目浄水場計装設備更新工事 配水流量回路 展開接続図 名張市 赤目町長坂 地内 8 残塩計 避雷器 I/V変換器 警報設定器 今回取替 指示計 赤目浄水場計装設備更新工事 浄水残塩回路 展開接続図 名張市 赤目町長坂 地内 9 色濁度計 避雷器 色度信号追加(今回) I/V変換器 警報設定器 今回取替 指示計 赤目浄水場計装設備更新工事 浄水濁度回路 展開接続図 名張市 赤目町長坂 地内 10 pH計 避雷器 I/V変換器 警報設定器 今回取替 指示計 赤目浄水場計装設備更新工事 混和槽出口PH回路 展開接続図 名張市 赤目町長坂 地内 11
© Copyright 2026