HDIR-1320 HD-SDI 赤外線カメラ (IP66)

HD-SDI 赤外線カメラ (IP66)
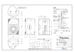
【外形図】
HDIR-1320
300
φ94
247
36
62
82
141
155
74
83
143
165
【仕 様】
製 品 名
撮像素子
有効画素数
ビデオ出力(HD)
同期方式
サブモニター映像出力
ビデオ出力解像度
HD映像伝送距離
レンズ
焦点距離
絞り
水平角度
垂直角度
S/N比
最低照度(カラー/白黒)
シャッタースピード
SENS-UP
デイ/ナイト
ホワイトバランス
逆光補正
HLC(HSBLC)
ノイズリダクション
設定
ファンクション
搭載LED数
投光距離
防水規格
動作周囲温度
動作周囲湿度
供給電源
消費電流
質量
外形寸法
HDIR-1320
1/3型 Panasonic Progressive 2.1Megapixel CMOS
1944(H) X 1092(V)
HD-SDI (SMPTE 274M)
内部同期
CVBS 1Vp-p 75Ω
1920×1080 30p/25p
5C-FB 100m
f= 3~12 mm
AUTO( F1.2~360 )
90°~ 28°
67°~ 22°
50dB 以上( AGC OFF )
1 Lux(0.017 Lux @DSS) / 0.1 Lux(0.0017 Lux @DSS)
オート、1/30 ~ 1/60,000秒、FLK
OFF、×2、×4、×8、×16、×32
A.CDS、A.AGC、カラー、B/W(IRカットフィルター)
オート、オートext、ONE PUSH、マニュアル
WDR / BLC
OFF、常時、デイ、ナイト
OFF、低、中、高
OSD
LED調整、フォーカスインジケーター、デジタルズーム(10倍)、プライバシーマスク(10ヶ所)
40個 (850nm)
屋外30m
IP66
-10℃~+50℃
0%~90% RH(非結露)
DC12V (±10%)
550mA (6.6W @DC12V)
約1200g(ブラケット含む)
94(W)×141(H)×247(D)mm
※上記の仕様は改良のため予告なく変更されることがあります。
ユニモテクノロジー株式会社
http://www.unimo.co. jp