 
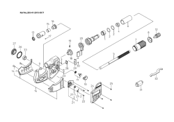
        131シリーズ(SPM-K) カウントスプラインマイクロメータ Ref. No. 131-1-1975-JAN DIGIT SPLINE MICROMETERS, Series 131 17 15 18 10 2 3 3-2 3-1 3-3 3-4 11 14 13 1214 22 21 20 4 23 19 キー No. ブヒンメイ 販売区分 CATEGORY 2 3 3-1 3-2 3-3 3-4 4 8 9 10 11 12 13 14 15 17 18 19 20 21 22 23 アンビル クランプクミタテ クランプネジ スプリングワッシャ クランプハシュ トメネジ ボーネツカバークミタテ キービス トメネジ トメネジ カウンター マドイタ ガラスイタ ナベコネジ キャップ テーパナット リング ガイトウ スピンドル シンブル ラチェット スパナ 131 KEY NO. CODE NO. コードNo. PART NAME ANVIL CLAMP ASSY CLAMP SCREW SPRING WASHER CLAMP HANDLE SETSCREW COVER ASSY KEY SCREW SETSCREW SETSCREW COUNTER FRAME, WINDOW GLASS PLATE SETSCREW CAP NUT, ADJ RING SLEEVE SPINDLE THIMBLE RATCHET STOP SPANNER 131-115 131-116 131-117 131-166 131-141 131-142 131-143 (SPM-25K) (SPM-50K) (SPM-75K) (SPM-1"VK) (SPM-1"K) (SPM-2"K) (SPM-3"K) 980460 980461 980462 301689 951712 203904 200420 204374 200424 980466 203771 203772 205978 951526 203764 980463 980464 951527 203765 203766 203768 204032 200415 303779 200117 200118 300947 200124 200116 200119 303779 200116 300948 200125 950700 301336 Ref. No. 131-1-1975-JAN DIGIT SPLINE MICROMETERS, Series 131 131シリーズ(SPM-K) カウントスプラインマイクロメータ 980465 2 3 3-1 3-2 3-3 3-4 4 8 9 10 11 12 13 14 15 17 18 19 20 21 22 23 131 書類NO, 131-01 KEY NO. 1 2 2-1 2-2 2-3 2-4 3 4 5 6 7 8 9 10 11 12 13 14 15 16 17 18 19 ブヒンメイ アンビル クランプクミタテ クランプネジ スプリングワッシャ クランプハシュ トメネジ ボーネツカバークミタテ キービス トメネジ トメネジ カウンター マドイタ ガラスイタ ナベコネジ キャップ テーパナット リング ガイトウ スピンドル シンブル ラチェット スパナ バネリング 【包装資材】 カクノウバコ ケショウケース 131 PART NAME CODE NO.コードNO. 販売区分 131-115 CATEGORY SPM-25K ANVIL CLAMP ASSY CLAMP SCREW SPRING WASHER CLAMP HANDLE SETSCREW COVER ASSY KEY SCREW SETSCREW SETSCREW COUNTER FRAME,WINDOW GLASS PLATE SETSCREW CAP NUT,ADJ RING SLEEVE SPINDLE THIMBLE RATCHET STOP SPANNER SPRING 【PACKING】 HOUSING CASE PAPER CASE DIGIT SPLINE MICROMETERS Series131 Y SPM-1"VK 301689 951712 203904 200420 204374 200424 980460 Y Y Y Y Y Y Y Y Y Y Y Y 備考 COMMENTS 131-166 980466 調整の仕方によって嵌合、精度に影響がでる為、修理対応が望ましい 203771 203772 205978 951526 203764 951527 203765 内部機構の為、修理対応が望ましい 203766 525863 204032 200415 303779 200117 200119 300947 300948 200124 200125 04GZA239 301336 305461 453163 471430 Ref.No.131-01-2005-DEC 131シリーズ(SPM-K) カウントスプラインマイクロメータ 131 DIGIT SPLINE MICROMETERS, Series 131 KEY NO. CODE NO. コードNo. PART NAME ブヒンメイ ANVIL CLAMP ASSY SCREW, CMALP SPRING WASHER HANDLE, CLAMP SET SCREW NAME PLATE ASSY STOPPING, ANVIL KEY SCREW SET SCREW SET SCREW COUNTER FRAME, WINDOW SET SCREW SET SCREW NUT, ADJ SLEEVE SPINDLE THIMBLE RATCHET STOP SPANNER キー No. 131-144 131-118 (SPM-4"K) (SPM-100K) 2 3 3-1 3-2 3-3 3-4 4 5 9 10 11 12 13 14 15 17 18 19 20 21 22 131シリーズ(SPM-K) カウントスプラインマイクロメータ Ref. No. 131-2-1975-JAN 302801 951713 200422 200420 204374 200424 985043 980432 302049 206283 206284 201193 951641 204148 951796 204149 204150 204706 200153 204694 302802 204138 204695 302803 204139 950701 200154 アンビル クランプクミタテ クランプネジ スプリングワッシャ クランプハシュ トメネジ ネームプレート アンビルオシザ キービス トメネジ トメネジ カウンター マドイタ ナベコネジ トメネジ テーパナット ガイトウ スピンドル シンブル ラチェット スパナ Ref. No. 131-2-1975-JAN 131 DIGIT SPLINE MICROMETERS, Series 131 131シリーズ(SPM-K) カウントスプラインマイクロメータ 2 3 3-1 3-2 3-3 3-4 4 5 9 10 11 12 13 14 15 17 18 19 20 21 22 131
© Copyright 2025