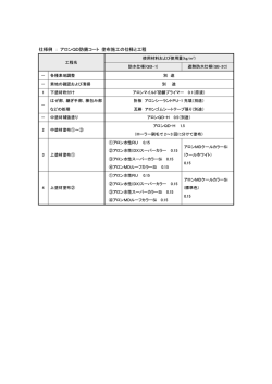
CBN-LR 加工事例 CBN

2枚刃
CBN-LR 切削条件表
プリハードン鋼/焼入れ鋼
NAK80/STAVAX/ELMAX(~62HRC)
被削材
焼入れ鋼
YXR7(~68HRC)
軸方向の切込み深さ
半径方向の切込み深さ
(mm)
(mm)
ae
回転速度
(min-1)
送り速度
(mm/min)
500
0.012
0.2
32,000
900
0.012
0.4
16,000
外径
回転速度
(min-1)
送り速度
(mm/min)
φ0.5
40,000
φ1
30,000
ap
軸方向の切込み深さ
半径方向の切込み深さ
(mm)
(mm)
300
0.012
0.15
350
0.012
0.4
ap
ae
備考:
・機械の回転速度が足りない場合は、回転速度と送り速度を同じ比率で下げてください。
・工具損傷を抑えるため、オイルミストを推奨致します。
ap:軸方向の切込み深さ(mm)
ae:半径方向の切込み深さ(mm)= P f
CBN-LR 加工事例
ELMAX(60HRC) LED向け金型モデル
使用工具
工程名
CBN-LR2005-005-015 仕上げ加工
CBN-LR2010-002-020
仕上げ加工
回転速度
(min-1)
送り速度
(mm/min)
45,000
500
45,000
500
回転速度
(min-1)
送り速度
(mm/min)
30,000
440
軸方向
切込み深さ
半径方向
切込み深さ
ae
クーラント
加工時間
(mm)
(mm)
0.006
0
オイルミスト
1時間24分40秒
0.001
0
オイルミスト
1時間10分56秒
軸方向
切込み深さ
半径方向
切込み深さ
ae
クーラント
加工時間
(mm)
(mm)
0.015
0.005
オイルミスト
2時間7分
ap
HPM31(61HRC) 溝形状モデル
使用工具
工程名
CBN-LR2005-005-010 仕上げ加工
ap
D-26